電動調節蝶閥
- 閥門型號:D971X,D941X,D973H,D943H
- 通徑規格:DN50~DN1200
- 結構形式:中線型,雙偏心,三偏心
- 閥體材質:碳鋼WCB、不銹鋼304、316、316L
- 公稱壓力:PN10、PN16、PN25、PN40
- 適用溫度:-30℃~450℃
- 應用范圍:蒸汽、水、氣體、油品、環保除塵、化工行業等
- 產品特點:操作方便,省力靈巧,可實現對介質參數的調節控制
電動調節蝶閥概述:
電動調節蝶閥主要由智能調節型電動執行器及蝶閥組成,根據輸入4-20mA的模擬量信號或1-5V、0-10V的電流信號,從而達到對閥門開度的大小進行控制,可適用于各種工業自動化管道的流量、壓力、溫度等調節。電動調節蝶閥常用的連接方式主要有法蘭和對夾式,閥門的流通能力較大,對常溫、干凈介質,可選用閥板加軟密封(橡膠圈、四氟圈)來減少泄漏(可達零泄露),高溫高壓工況可選用硬密封閥體。

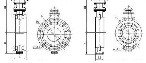
電動法蘭調節蝶閥 電動對夾式調節蝶閥電動調節蝶閥特點:
1、設計新穎、合理、結構獨特,重量輕,啟閉迅速。
2、調節型電動蝶閥操力矩小,操作方便,省力靈巧。
3、可采用不同密封座,滿足低、中、高不同壓力,以及不同介質溫度或腐蝕性介質等。
4、執行器配有保護裝置有雙重限位、過熱保護、過載保護。
5、智能數控,內置模塊采用先進計算機單片及智能控制軟件直接接收計算機或工業儀表等設備輸出的標準信號,實現對閥門開度的智能控制和精確定位。電動調節蝶閥標準規范: 設計標準【GB/T12238-1989 JB/T8692-1998】 法蘭連接尺寸【GB/T9115.1-2000】 結構長度【h:GB/T12221-1989】 壓力試驗【GB/T13927-1992;JB/T9092-1999】 |  電動法蘭調節蝶閥結構圖 電動對夾式調節蝶閥結構圖 |
電動調節蝶閥技術參數:| 公稱通徑 | DN50~DN1200(mm) |
|
|
| 公稱壓力 | PN0.6、1.6、2.5、4.0MPa |
|
|
| 連接形式 | 對夾式、法蘭式 |
|
|
| 操作方式 | 電動控制 |
|
|
| 密封形式 | 金屬硬密封,軟密封 |
|
|
| 電源電壓 | AC220V、AC380V、DC24(其他定制) |
|
|
| 信號反饋 | 有源信號、S無源信號 |
|
|
| 手動功能 | 可根據需要裝配手動開閥、關閥功能 |
|
|
| 適用溫度 | -30℃~450℃ |
|
|
| 動作時間 | 15秒/30秒/60秒 |
|
|
| 可調范圍 | 50:1 |
|
|
| 應用場所 | 蒸汽、水、氣體、油品、環保除塵、化工行業等 |
| 控制形式 | 智能調節(4-20mA、1-5V、0-10V) |
相關產品: 氣動調節蝶閥 電動風量調節蝶閥 電動開關蝶閥